| 【產品名稱】 | ACI-P系列油壓脈沖扭力測試儀 |
| 【所屬分類】 | 扭力測試儀 |
| 【產品型號】 | ACI-P |
| 【市場價格】 | 面議/電詢 |
| 【產品品牌】 | motive |
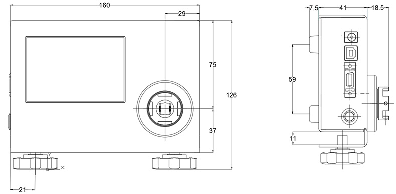
| 【產品尺寸】 | 160×126×41mm(長×寬×高) |
1.視頻展示
2.產品特點
■ 提供TRACK、+PEAK、-PEAK、PULSE等測量模式。
■ 儲存1000個數據,自動計算測量總次數、正確次數、最大值、最小值、平均值。
■ 自動清除峰值和測量值。
■ 自動記憶測量數值且峰值上傳電腦。
■ 提供密碼管理,防止改變設置條件和修改測試結果。
■ 提供電腦有線傳輸USB、RS232C、MODBUS雙向協議,用于單機數據管理。
■ (選配)電腦無線傳輸:WIFI,可遠程設定。實時數據可進入工廠的MES系統。
■(選配)三路開關量輸入,可連接動態扭力傳感器,提供動態扭力和角度測量。
■(選配)提供模擬量±5V、±10V、0-10V的電壓輸入檢測及控制。
■ 微功耗設計和超級電池供電,保證彩色屏幕能長時間連續工作。
3.各部分名稱

4.技術參數
| 型號 | 最大負荷 | 最小負荷 | ||||
| N.m | Kgf.cm | Lbf.in | N.m | Kgf.cm | Lbf.in | |
| ACI-P-10N.m (可內置) | 10.00 | 100.0 | 90.0 | 0.01 | 0.1 | 0.1 |
| ACI-P-20N.m | 20.00 | 200.0 | 180.0 | 0.02 | 0.2 | 0.2 |
| ACI-P-50N.m | 50.00 | 500.0 | 450.0 | 0.05 | 0.5 | 0.5 |
| ACI-P-100N.m | 100.0 | 1000 | 900.0 | 0.1 | 1 | 0.1 |
| ACI-P-200N.m | 200.0 | 2000 | 1800 | 0.1 | 1 | 1 |
| ACI-P-500N.m | 500.0 | 5000 | 4500 | 0.1 | 1 | 1 |
| ACI-P-1000N.m | 1000 | 10000 | 90000 | 1 | 1 | 1 |
| 精度 | ±0.5% |
| 顯示屏 | 觸摸顯示彩屏3.5吋 |
| 測定方向 | 順時針-逆時針方向 |
| 測量模式 | 代號內容峰值PEAK保留輸入的最大值跟蹤TRACK用于校準,顯示過程脈沖數PULSE顯示測量脈沖數 |
| 上下限的判定功能 | 設定在限制范圍內測量最高與最低的數值 |
| 結果判斷 | 設定范圍內執行結果判斷 OK,NG |
| 最大值、最小值、平均值及測量次數 | 顯示測量值的最大值、最小值、平均數值及測量次數 |
| 存儲容量 | 1000 個數據 |
| 實時輸出 | 測量數據實時自動輸出 |
| 自動清除時間 | 可設定(0.5,1,2,3,5,8,10S)自動清除測量值 |
| 單鍵歸零 | 手動按鍵歸零 |
| 數據的輸出 | 有線:USB、RS-232C(選配)、485 MODBUS協議(選配) 無線:WIFI (選配) |
| 電池 | Ni-MH(鎳氫)1.2V*6可充電電池(2500mAh)/可充電500次以上 |
| 充電時間/連續使用時間 | 5小時以內/在全充電時間內連續使用約10小時以上 |
| 電源 | AC 適配器(10V)/NIMH電池組 |
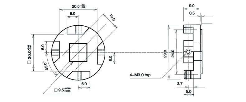
| 插座尺寸 | □20 / □9.5 |
5.通訊說明
測試儀集成了USB和RS232C端口。包裝內有配置USB 數據線。
*不要同時通過兩個端口通信。
如果使用RS232C端口,需另購置RS232C數據線。
通過一個專用軟件測量扭力,管理存儲數據或設置參數。
6.外部尺寸

7.軸座尺寸圖

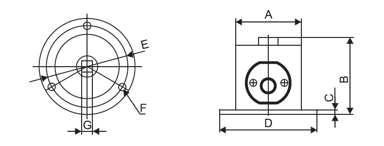
8.傳感器尺寸圖:
傳感器尺寸表 | 型號 | A | B | C | D | E | F(3等分) | G(方口) |
QLS 10--30N.m | Φ36 | 62 | 8 | Φ74 | Φ62 | Φ6.4 | 9.5sq 3/8 " | |
QLS 50N.m | Φ60 | 67 | 10 | Φ110 | Φ90 | Φ8.3 | 9.5sq 3/8 " | |
QLS 100--200N.m | Φ60 | 73 | 10 | Φ110 | Φ90 | Φ8.3 | 12.7sq 1/2 " | |
QLS 500N.m | Φ80 | 99 | 15.5 | Φ140 | Φ116 | Φ10.5 | 19sq 3/4" | |
QLS 1000N.m | Φ80 | 99 | 15.5 | Φ140 | Φ116 | Φ10.5 | 19sq 3/4" | |
傳感器外形圖 | ![]() | |||||||
| 傳感器實物圖 | ![]() | |||||||
9.常見問題
⑴ACI-P系列油壓脈沖扭力測試儀能同時顯示扭矩和脈沖嗎?
答:ACI-P系列油壓脈沖扭力測試儀是一款專門用于測量油壓脈沖的扭力測試儀,能同時顯示扭矩和脈沖。
⑵ACI-P系列油壓脈沖扭力測試儀測量精度為多少?
答:測量精度為±0.5%
⑶ACI-P系列油壓脈沖扭力測試儀有幾種單位可以選擇?
答:測量單位為N.m,Kgf.cm ,Lbf.in,Kgf.m ,Lbf.ft
一諾電子實業有限公司(中國區服務中心) 版權所有 浙ICP備2021010018號-3
浙公網安備33021202003751號
技術支持:和眾互聯